- Động cơ bằng đồng với ổ bi chất lượng cao, độ ồn thấp với lưu lượng không khí ổn định
- Bộ lọc Hepa ngăn chặn đến 99% bụi siêu mịn
- Thiết kế tối ưu, thân máy mỏng giúp tiết kiệm không gian
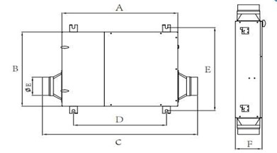
BẢN VẼ KĨ THUẬT:

KÍCH THƯỚC KĨ THUẬT:
| Model | A | B | C | D | E | F | ΦE |
| NH-160 | 523 | 400 | 701 | 420 | 447 | 121 | 100 |
| NH-250 | 523 | 400 | 673 | 420 | 447 | 196 | 150 |
| NH-350 | 523 | 400 | 673 | 420 | 447 | 196 | 150 |
| NH-650 | 523 | 400 | 700 | 420 | 447 | 246 | 200 |
